电子测量与测控一体化解决方案提供商
用过泰克的示波器,但还没用过TekScope PC分析软件?亏大发了!这里有工程师专属的高阶和基础测试“魔法”,待您解锁!

高阶魔法:离线高级分析
当前许多示波器都能捕获每个波形超过500 M点及多达8通道的数据,也就是要分析4G点数据。即使是在一些大厂,示波器也很难人手配置一台,而现在您可以在示波器上捕获波形数据集,然后使用TekScope PC 软件离线分析数据。
除TekScope软件标准版带有的30 多种测量选项外,您可以根据自己的需求增加高级分析功能,如抖动分析、功率测量、马达驱动器分析或串行总线解码等等,它可以分析任何示波器上采集的数据,即使示波器本身没有提供这些分析选项。
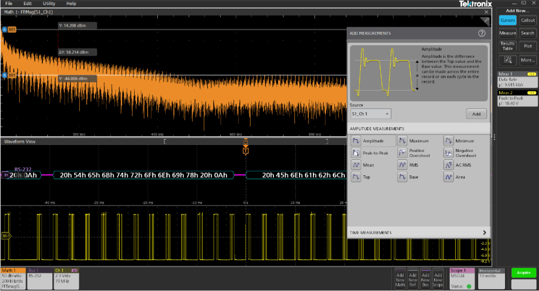
TekScope支持最多25 种不同总线解码,包括USB、以太网、MIPI、DSI 和SPMI 等等。通过分析串行总线,结合搜索/ 标记功能,为实现同时多总线解码,查看解码后的信息提供了一种不同的方式。
由于TekScope PC软件能分析来自多台仪器的数据和仿真数据,可以消除由于不同仪器软件上采用的算法不同或实现方式不同而导致的测试结果差异。在帮助系统中,清楚地存档了测量算法,确保测试结果的可信度。
在分析结束时,您还可以生成报告,共享或存档结果。您可以指定报告中包括的信息,包括图示或配置细节等选项。
TekScope PC软件现已开放免费试用,欢迎扫码申请解锁!
基础魔法:离线查看波形

使用TekScope PC 分析软件,在PC上实现波形可视化。
基础魔法:波形比较
TekScope PC 软件支持各种不同的波形文件格式,您可以把更多的时间用在分析数据上,减少设置时间。
支持的波形文件包括:
■ .tss(泰克2/4/5/6 系)
■ .wfm, .isf(泰克)
■ .bin(Keysight)
■ .trc(LeCroy)
■ .tr0(SPICE)
■ .csv(通用格式)
由于支持多种文件格式,TekScope PC软件可以在统一的用户界面中显示不同的文件类型,支持叠加或堆叠显示模式,直接比较波形或并排比较波形。您还可以在大显示屏上查看和比较不同仪器采集的数据和仿真数据,加快调试流程。
基础魔法:远程控制和多台示波器分析
TekScope PC软件可以远程连接泰克示波器,实时检索数据。在数据自动传送到TekScope PC软件后,您可以继续运行离线分析。您还可以在测试环境中增加更多通道,同时设置多台示波器系统,就像一台仪器一样操作,在从多台示波器分析多条通道,并试图同步这些示波器,节省大量的时间。